Перейти к содержанию
Форум химиков на XuMuK.ru.

Про трансформатор!"


funny1966

Рекомендуемые сообщения

🚑 Решение задач, контроши, рефераты, курсовые и другое! Онлайн сервис помощи учащимся. Цены в 2-3 раза ниже! 200 руб. на 1-й заказ по коду vsesdal143982

если соединить как на картинке то будет короткое замыкание крайних выводов обмотки транса!!!

При включении, как на рисунке, будет встречное включение магнитных потоков, что ни к чему хорошему не приведет.

Суммарный поток будет мал.

 

Да не будет ничего такого, это обычные двухполупериодные схемы выпрямления со средней точкой, соединенные паралельно

post-735-0-63486300-1309694191_thumb.gif

http://kurs.ido.tpu...._2_page_10.html

Изменено пользователем aversun
Ссылка на комментарий

если соединить как на картинке то будет короткое замыкание крайних выводов обмотки транса!!!

Покажите, где короткое, токи будут суммироваться. Примерно так я делал в зарядном, один принцип. вот схема, кто разбирается в электронике, тот поймет. (это одна из моих не самых лучших конструкций, но тем не менее она работает)

post-42320-0-53734900-1309693801_thumb.jpg

post-42320-0-99735500-1309694141_thumb.jpg

Ссылка на комментарий

Примерно так я делал в зарядном, один принцип. вот схема, кто разбирается в электронике, тот поймет. (это одна из моих не самых лучших конструкций, но тем не менее она работает)

Очень примерно, т.к. тут у вас просто однополупериодные, биполярные выпрямители соединены параллельно, а в первом случае, как я написал выше, двухполупериодная схема со средней точкой.

Ссылка на комментарий

Очень примерно, т.к. тут у вас просто однополупериодные, биполярные выпрямители соединены параллельно, а в первом случае, как я написал выше, двухполупериодная схема со средней точкой.

Согласен, примерно, но принцип тот же,

1 диоды не дадут короткого

2 Все идет по фазе.

Ссылка на комментарий

вот толкьо теоретизировать не надо, особенно если чего-то не хватает (я про исходные данные, если чо),

обмотка со средней точкой - работает как первичка при работе упса от батареи, и рассчитана на ток (по моим трансам от 350 Вт упсов)

350/12=29 А,

мощность же транса по железу - около 150 Вт

значит весь ток, что он может выдать на 7 В

150/7=21 А

но ведь максимальный ток зависит не только от соотношения мощности транса и напряжения!!! но и от сечения провода!!!

 

попутно подскажите там провод сечением гдето 1.5 мм медь !!

 

сколько он может выдать в амперах!! по максимуму? и может ли обмотка выдавать больший ток с перегрузкой!! нагреваясь но остывание её осуществлять воздушным охлаждением!!!

Ссылка на комментарий

но ведь максимальный ток зависит не только от соотношения мощности транса и напряжения!!! но и от сечения провода!!!

 

попутно подскажите там провод сечением гдето 1.5 мм медь !!

 

сколько он может выдать в амперах!! по максимуму? и может ли обмотка выдавать больший ток с перегрузкой!! нагреваясь но остывание её осуществлять воздушным охлаждением!!!

По сечению провода : это зависит от конструкции, тут в общем от 2 до 7 а/мм2. ( у нас 1.766 мм2), (тут сечение не большое, то плотность тока 6 а/мм2 получить вполне можно) Т.Е. на нагрузке с трансформатора 10 ампер можно получить. Если по схеме со средней точкой выпрямления, то и 15 А вполне получите. Это можно проверить: делаете нагрузку 10 (15) А и через 20-30 мин будет ясно, если транс не сильно греется, то все в порядке, если холодный, то ток можно увеличить.

Греться может так, что он довольно теплый, градусов 50 нормальная работа. Нагрузка - авто или мото лампочки. Тут квадратичная зависимость выделения тепла от тока, то переход теплый - гарячий четко определяется.

post-42320-0-52433300-1309722461_thumb.jpg

Изменено пользователем derba
Ссылка на комментарий

По сечению провода : это зависит от конструкции, тут в общем от 2 до 7 а/мм2. ( у нас 1.766 мм2), (тут сечение не большое, то плотность тока 6 а/мм2 получить вполне можно) Т.Е. на нагрузке с трансформатора 10 ампер можно получить. Если по схеме со средней точкой выпрямления, то и 15 А вполне получите. Это можно проверить: делаете нагрузку 10 (15) А и через 20-30 мин будет ясно, если транс не сильно греется, то все в порядке, если холодный, то ток можно увеличить.

Греться может так, что он довольно теплый, градусов 50 нормальная работа. Нагрузка - авто или мото лампочки. Тут квадратичная зависимость выделения тепла от тока, то переход теплый - гарячий четко определяется.

 

 

а какими способами можно увеличивать или уменьшать ток у готового транса?

 

я для элекктролиза делаю ! я знаю только ближе дальше электроды!?

Ссылка на комментарий

http://i014.radikal.ru/1011/70/efba511929e1.bmp

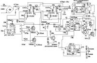
У меня такая схема несколько лет проработала.

Только конденсаторы должны быть вольт на 400 металлобумажные.

Изменено пользователем derba
Ссылка на комментарий

Мощность, передаваемая трансформатором "по железу" к приведённому сравнительному расчёту не имеет отношения. Здесь речь идёт о тепловыделении на активном сопротивлении обмотки, которое всегда будет пропорционально квадрату тока, протекающему по ней, какие бы данные не вводились в формулу. Поэтому превышать расчётные значения тока в обмотках трансформатора не рекомендуется.

В Ваших расчетах имеется следующая ошибка.

Мощность = u*i.

Если мы снимаем напряжение сразу с двух обмоток,то получаем Р1=U*I.

Если с кахдой поочереди,то получаем P2=U/2*I*2

Двоечки сокращаются - получаем Р1=Р2

Для того ,чтобы было соответствие Вашему примеру U=IR.

Кому надо - подставляйте...

 

а какими способами можно увеличивать или уменьшать ток у готового транса?

 

я для элекктролиза делаю ! я знаю только ближе дальше электроды!?

Способов достаточно...

Можно подключить через ЛАТР первичку.

Можно применить балластный резистор.

Можно индуктивностью изменить косинус фи.

Можно применить индуктивность с постоянным подмагничиванием.

Можно применить схему линейного стабилизатора.

Можно применить ключевой стабилизатор.

Можно применить стабилизатор с широтно-импульсной модуляцией.

Можно сделать трансформатор с отводами.

Ссылка на комментарий

Для публикации сообщений создайте учётную запись или авторизуйтесь

Вы должны быть пользователем, чтобы оставить комментарий

Создать аккаунт

Зарегистрируйте новый аккаунт в нашем сообществе. Это очень просто!

Регистрация нового пользователя

Войти

Уже есть аккаунт? Войти в систему.

Войти
  • Последние посетители   0 пользователей онлайн

    • Ни одного зарегистрированного пользователя не просматривает данную страницу
×
×
  • Создать...

Важная информация

Мы разместили cookie-файлы на ваше устройство, чтобы помочь сделать этот сайт лучше. Вы можете изменить свои настройки cookie-файлов, или продолжить без изменения настроек.