Перейти к содержанию
Форум химиков на XuMuK.ru.

Про трансформатор!"


funny1966

Рекомендуемые сообщения

🚑 Решение задач, контроши, рефераты, курсовые и другое! Онлайн сервис помощи учащимся. Цены в 2-3 раза ниже! 200 руб. на 1-й заказ по коду vsesdal143982

В Ваших расчетах имеется следующая ошибка.

Мощность = u*i.

Если мы снимаем напряжение сразу с двух обмоток,то получаем Р1=U*I.

Если с кахдой поочереди,то получаем P2=U/2*I*2

Двоечки сокращаются - получаем Р1=Р2

Для того ,чтобы было соответствие Вашему примеру U=IR.

Кому надо - подставляйте...

 

Да нет, pauk (пост 14) прав, именно так, как он показал, по такому принципу проводят расчет, И получается, что со средней точкой, по сравнению с двумя обмотками получается меньше ток..

post-42320-0-95550100-1309780140_thumb.jpg

Изменено пользователем derba
Ссылка на комментарий

В Ваших расчетах имеется следующая ошибка.

Мощность = u*i.

Если мы снимаем напряжение сразу с двух обмоток,то получаем Р1=U*I.

Если с кахдой поочереди,то получаем P2=U/2*I*2

Двоечки сокращаются - получаем Р1=Р2

Для того ,чтобы было соответствие Вашему примеру U=IR.

Кому надо - подставляйте...

Подчёркиваю ещё раз, что расчёты не относятся к электрической мощности, передаваемой трансформатором

(т. е. выделяющейся в нагрузке), а касаются только количества тепловой энергии, выделяющейся на активном сопротивлении двух одинаковых вторичных обмоток трансформатора, включаемых по разным схемам.

Изменено пользователем pauk
Ссылка на комментарий

Дополню, по схеме со средней точкой, при токе 14.14А и при параллельном включении при 20 А - обмотки греются совершенно одинаково. И в данном случае именно разогрев ограничивает максимально-допустимый ток .

Ссылка на комментарий

Дополню, по схеме со средней точкой, при токе 14.14А и при параллельном включении при 20 А - обмотки греются совершенно одинаково. И в данном случае именно разогрев ограничивает максимально-допустимый ток .

Совершенно верно. Если в расчёте №2 (пост #14) принять I' = 1,414, то получим Q'1 = 1 (усл. ед.), Q'2 = 1 (усл. ед.) и Q'общ = 2 (усл. ед.), что в точности равно тепловыделению в расчёте №1.

Ссылка на комментарий

Лучше сделать импульсный преобразователь. Кто сможет и имеет желание предлагаю свою программу для расчета импульсных трансформаторов. (расширение txt убрать, должно быть exe)

Тут создается файл для запоминания введенных данных, если по какой то причине программа не будет запускаться (были случаи при ручной правке файла), то файл (derba2.lesyanka, это постой текстовый файл) просто удалить, файл создастся заново.

vitkit1.exe.txt

Изменено пользователем derba
Ссылка на комментарий

Подчёркиваю ещё раз, что расчёты не относятся к электрической мощности, передаваемой трансформатором

(т. е. выделяющейся в нагрузке), а касаются только количества тепловой энергии, выделяющейся на активном сопротивлении двух одинаковых вторичных обмоток трансформатора, включаемых по разным схемам.

А я тоже подчеркиваю,что надо читать то,что написано...а не додумывать...

С чего Вы сделали вывод,что я писал не про выделяемую мощнось...

P=UI,где I - ток через обмотку,а U - падение напряжение на сопротивлении обмоток...

 

Да нет, pauk (пост 14) прав, именно так, как он показал, по такому принципу проводят расчет, И получается, что со средней точкой, по сравнению с двумя обмотками получается меньше ток..

Прикольно...химики меня учат как делать расчет трансформатора...

Сам я не химик...только интересуюсь...

Ссылка на комментарий

А я тоже подчеркиваю,что надо читать то,что написано...а не додумывать...

Очень правильное замечание. Прикольно, что оно касается всех.

 

С чего Вы сделали вывод,что я писал не про выделяемую мощнось...

P=UI,где I - ток через обмотку,а U - падение напряжение на сопротивлении обмоток...

Когда это и где? Наоборот, я уже дважды в теме отмечал (посты #18, #32), что это именно я (pauk) писал не про выделяемую мощность (сам расчёт приведён в посте #14).

 

Прикольно...химики меня учат как делать расчет трансформатора...

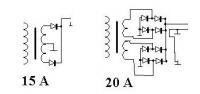
В топике речь идёт не о расчёте трансформатора как такового (он у ТС уже есть готовый, со средней точкой), а о возможности изготовления на его основе выпрямителя с удвоенным током на выходе, снизив соответственно выходное напряжение по сравнению с напряжением между крайними точками обмотки. Было предложено два варианта:

1) разорвать соединение обмоток в средней точке, соединить их параллельно, к выходу подключить диодный мост;

2) не менять порядок включения обмоток трансформатора, собрать выпрямитель на двух диодах по схеме двухполупериодного выпрямления со средней точкой и снимать с него удвоенный ток.

По мощности и др. электрическим параметрам (P = IU, U = IR, P1 = P2 и т. д.) обе схемы, казалось бы, равноценны. Отличие в том, что в схеме 1) величина тока в обмотках трансформатора не изменилась по сравнению с первоначальной, а в схеме 2) увеличилась вдвое (в расчёте из #14 для второго случая было взято не в 2, а в 1,9 и 1,5 раза - по предложению участников обсуждения). Хотя в схеме 2) время действия тока в обмотках сократилось вдвое по сравнению со схемой 1), но за счёт двукратного увеличения тока в них, общее выделение тепловой энергии (Q) на обмотках увеличилось вдвое. Потому что Q ~ t и Q ~ I2.

 

Сам я не химик...только интересуюсь...

Химики тоже только интересуются... трансформаторами...

Ссылка на комментарий

Очень правильное замечание. Прикольно, что оно касается всех.

 

 

Когда это и где? Наоборот, я уже дважды в теме отмечал (посты #18, #32), что это именно я (pauk) писал не про выделяемую мощность (сам расчёт приведён в посте #14).

 

 

В топике речь идёт не о расчёте трансформатора как такового (он у ТС уже есть готовый, со средней точкой), а о возможности изготовления на его основе выпрямителя с удвоенным током на выходе, снизив соответственно выходное напряжение по сравнению с напряжением между крайними точками обмотки. Было предложено два варианта:

1) разорвать соединение обмоток в средней точке, соединить их параллельно, к выходу подключить диодный мост;

2) не менять порядок включения обмоток трансформатора, собрать выпрямитель на двух диодах по схеме двухполупериодного выпрямления со средней точкой и снимать с него удвоенный ток.

По мощности и др. электрическим параметрам (P = IU, U = IR, P1 = P2 и т. д.) обе схемы, казалось бы, равноценны. Отличие в том, что в схеме 1) величина тока в обмотках трансформатора не изменилась по сравнению с первоначальной, а в схеме 2) увеличилась вдвое (в расчёте из #14 для второго случая было взято не в 2, а в 1,9 и 1,5 раза - по предложению участников обсуждения). Хотя в схеме 2) время действия тока в обмотках сократилось вдвое по сравнению со схемой 1), но за счёт двукратного увеличения тока в них, общее выделение тепловой энергии (Q) на обмотках увеличилось вдвое. Потому что Q ~ t и Q ~ I2.

 

 

Химики тоже только интересуются... трансформаторами...

Так ,начнем сначала,по Вашим же формулам.

Две обмотки - ток I ,напряжение U ,сопротивление каждой обмотки R.

Соединяем параллельно...

На каждой обмотке

Q=Iвквадрате*R.

Итого - общая рассеиваемая мощность 2Q,т.к. обмотки две.

 

Соединяем через диод две обмотки

 

Q=(2I*0,5)*(2I*0,5)*R - вот здесь то и собака порылась - половинку то Вы не туда вставили...

 

Ваша формула выглядит же Q=(2I)вквадрате*R*0,5

Ссылка на комментарий

Для публикации сообщений создайте учётную запись или авторизуйтесь

Вы должны быть пользователем, чтобы оставить комментарий

Создать аккаунт

Зарегистрируйте новый аккаунт в нашем сообществе. Это очень просто!

Регистрация нового пользователя

Войти

Уже есть аккаунт? Войти в систему.

Войти
  • Последние посетители   0 пользователей онлайн

    • Ни одного зарегистрированного пользователя не просматривает данную страницу
×
×
  • Создать...

Важная информация

Мы разместили cookie-файлы на ваше устройство, чтобы помочь сделать этот сайт лучше. Вы можете изменить свои настройки cookie-файлов, или продолжить без изменения настроек.