Перейти к содержанию
Форум химиков на XuMuK.ru.

Аммиак в углеводородах: растворяется ли?


hroniker

Рекомендуемые сообщения

🚑 Решение задач, контроши, рефераты, курсовые и другое! Онлайн сервис помощи учащимся. Цены в 2-3 раза ниже! 200 руб. на 1-й заказ по коду vsesdal143982

Пролет с напряжением на диодах можно исправить последовательным включением нескольких электролизеров. И диоды Шоттки, на которых при номинальном токе 0.5 В всего падает.

Ссылка на комментарий

Пролет с напряжением на диодах можно исправить последовательным включением нескольких электролизеров. И диоды Шоттки, на которых при номинальном токе 0.5 В всего падает.

У меня Д305 в электролизном выпрямителе - и падает на них 0,3 В.

В трансформаторе потери больше чем в диодах.

А вот ненада искать большой КПД в небольших трансформаторах включенных обычным образом!

Берите транс на 400 В и 3 кВт и пускайте его на 230 В и 600 Вт - КПД вас приятно удивит.

Изменено пользователем Максим0
Ссылка на комментарий

У меня Д305 в электролизном выпрямителе - и падает на них 0,3 В.

Я один такой дураг, или кому-то еще приходила в голову идея механических выпрямителей на 50 Гц? Синхронный с сетью двигатель крутит "коллектор" по щеткам, может давно используется массово на производстве алюминиев/магниев?

Ссылка на комментарий

Я один такой дураг, или кому-то еще приходила в голову идея механических выпрямителей на 50 Гц? Синхронный с сетью двигатель крутит "коллектор" по щеткам, может давно используется массово на производстве алюминиев/магниев?

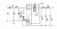
Не один. В ламповую и до ламповую эры применялись умформеры, это мотор и генератор на одном валу для выпрямления (или преобразования в переменный)  и трансфомации напряжения. Но интереснее вибропреобразователи, которые применялись в маломощной аппаратуре. На картинке такой преобразователь (вибрик) с одной стороны превращает постоянный ток в переменный, а с другой выпрямляет переменный в постоянный.

post-735-0-92665400-1462434722_thumb.gif

Изменено пользователем aversun
Ссылка на комментарий
Гость
Эта тема закрыта для публикации ответов.
  • Последние посетители   0 пользователей онлайн

    • Ни одного зарегистрированного пользователя не просматривает данную страницу
×
×
  • Создать...

Важная информация

Мы разместили cookie-файлы на ваше устройство, чтобы помочь сделать этот сайт лучше. Вы можете изменить свои настройки cookie-файлов, или продолжить без изменения настроек.